- 如果您对该产品感兴趣的话,可以
- 产品名称:KL-L6,KL-L8,KL-L10,KL-L15,节流阀
- 产品型号:KL-L6,KL-L8,KL-L10,KL-L15
- 产品展商:其它品牌
- 产品文档:无相关文档
简单介绍
KL-L6,KL-L8,KL-L10,KL-L15,节流阀
产品描述
KL-L6,KL-L8,KL-L10,KL-L15,节流阀,价格
|
一、特点:
节流阀是气动控制系统中被广泛使用的简单的流量控制阀,该系列节流阀系双向节流元件。通常被用来调节气路中压缩空气的流量。
二、图形符号:

三、型号说明:

|
|
|
四、技术参数
| 型号 |
KL
|
| 公称通径mm |
6 |
8 |
10 |
15 |
| S值mm² |
5 |
10 |
20 |
40 |
| 工作压力范围MPa |
1.00MPa |
| 工作温度 |
5~60ºC |
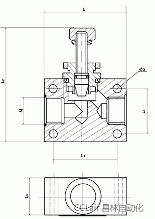
五、外形及安装尺寸:

| 型号 |
联接螺纹 |
L |
L1 |
L2 |
L3 |
L4 |
Ø
|
| KL-6 |
M10*1 |
G1/8" |
50 |
38 |
72 |
25 |
28 |
4.8 |
| KL-8 |
M14*1.5
(M12*1.5)
(M12*1.25)
|
G1/4" |
50 |
38 |
72 |
25 |
28 |
4.8 |
| KL-15(10) |
M22*1.5
(M18*1.5)
|
G3/8"
G1/2"
|
65 |
50 |
91 |
30 |
36 |
6 |
|