A-L10A,A-L25*L15,A-L40*L20,A-L50*L25,A-L65*L25,A-L80*L40,A-L80*L50,
单向阀,价格
|
一、特点:
1、单向阀是控制气流只向一个方向流动,而不能反向流动的阀。
2、本阀是属硬密封结构、不锈钢材料制造,具有抗腐蚀、抗老化、耐高温、寿命长等特点。
3、A-L10球形单向阀,阀体采用铜材制造,钢球密封、具有抗老化、寿命长等特点。
二、图形符号:

三、型号说明:

|
|
|
四、技术参数
| 型号 |
A-L10A
|
A-L25*L15
|
A-L40*L20
|
A-L50*L25
|
A-L65*L25
|
A-L80*L40
|
A-L80*L50
|
| 公称通径mm |
10
|
15
|
20
|
25
|
25
|
40
|
50
|
| 有效截面积mm² |
40
|
60
|
110
|
190
|
190
|
400
|
650
|
| *高工作压力 |
1.00MPa
|
| 开启压力MPa |
0.04
|
0.03
|
0.04
|
| 耐久性 |
200万次
|
150万次
|
100万次
|
| 工作温度 |
0~250°c
|
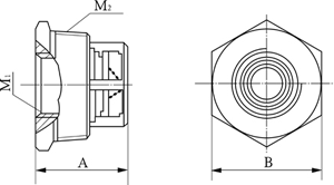
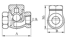
五、外形及安装尺寸


|
型号
|
A
|
B
|
M1
|
M2
|
|
A-L10A
|
55
|
35
|
ZG3/8"
|
40.4
|
|
A-L25*L15
|
42.5
|
35
|
ZG1/2"
|
ZG1"
|
|
A-L40*L20
|
55.5
|
50
|
ZG3/4"
|
ZG11/2"
|
|
A-L50*L25
|
55.5
|
60
|
ZG1"
|
ZG2"
|
|
A-L65*L25
|
55.5
|
78
|
ZG1"
|
ZG11/2"
|
|
A-L80*L40
|
78
|
92
|
ZG11/2"
|
ZG3"
|
|
A-L80*L50
|
83
|
92
|
ZG2"
|
ZG3"
|
|